

特点:
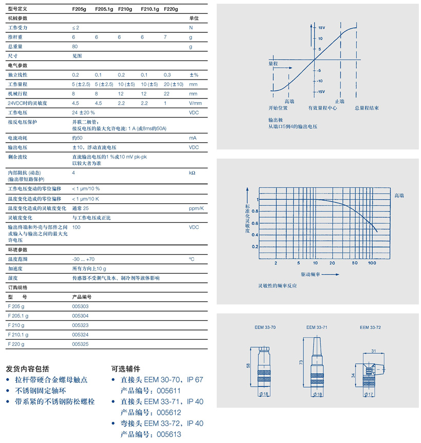
• 线性优异,标准值±0.1% ... ±0.3%
• 带EEM 33-70 接头时,防护等级IP 67
• 接反电压保护
• 内置集成电路
• 直流电源,直流输出
• 接近无限分辨率
• 良好的热稳定性
说 明
外 壳黑色阳极氧化铝
推 杆防磁不锈钢,由预张力螺旋弹簧压紧使其向外顶住防脱出卡子
推 杆 槽免维护塑料套管
推杆口由波纹管进行防尘保护
安 装居中导杆、轴环和夹钳法兰
电气连接5针接头 (参见“可选辅件”)
防护等级取决于接头类型
电子器件封装集成电路

